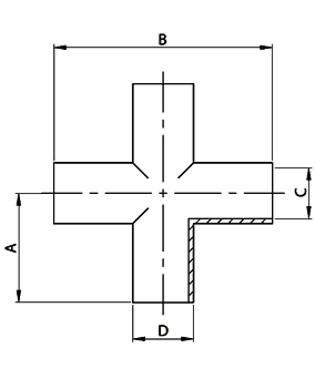
230D - ΣΤΑΥΡΟΣ ΑΝΟΞΕΙΔΩΤΟΣ ΓΥΑΛΙΣΜΕΝΟΣ ΤΡΟΦΙΜΩΝ
DIN11851 ΣΕ AISI316L ΚΑΙ AISI304L

Σταυρός ανοξείδωτο συγκολλησης
Σταυρός ανοξείδωτο τροφίμων συγκολλησης
Σταυρός τροφίμων ανοξείδωτο κοντό
Αιμου 30 - 11855 Αθήνα - Τηλ.: 2103460551 - Fax: 2103466127- e-mail: sales@veltitech.com