black blue

131DA - O-RING ΓΙΑ ΡΑΚΟΡ DIN 11851 ΑΣΗΠΤΙΚΟ ΜΕ ΠΑΤΟΥΡΑ

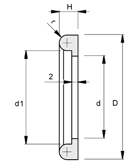
O-ring Ασηπτικό για ρακόρ DIN 11851
Σχέδιο ασηπτικού ο-ρινγκ για ρακόρ DIN
Διαστάσεις ασηπτικού ο-ρινγκ ρακόρ DIN
Αιμου 30 - 11855 Αθήνα - Τηλ.: 2103460551 - Fax: 2103466127- e-mail: sales@veltitech.com