black blue

112D - ΣΤΟΜΙΟ ΚΩΝΙΚΟ DIN 11851 ΓΙΑ ΣΥΓΚΟΛΛΗΣΗ

Στόμιο κωνικό συγκόλλησης DIN 11851
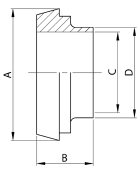
Σχέδιο κωνικού στομίου συγκόλλησης DIN 11851
Διαστάσεις κωνικού στομίου συγκόλλησης DIN 11851
Αιμου 30 - 11855 Αθήνα - Τηλ.: 2103460551 - Fax: 2103466127- e-mail: sales@veltitech.com