Αρχική Σελίδα
Προϊόντα
Τεχνικά Στοιχεία
Επικοινωνία
Που Βρισκόμαστε
Η Εταιρεία
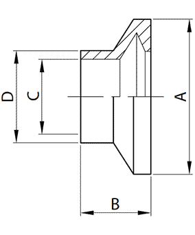
102E - ΑΝΟΞΕΙΔΩΤΟ ΣΤΟΜΙΟ GAROLLA
Αιμου 30 - 11855 Αθήνα - Τηλ.: 2103460551 - Fax: 2103466127- e-mail: sales@veltitech.com